こちらは新しいシリーズで、Phoenix Contact社のPSR-M-B3-SDI8-SDO4-DO4-PIセーフティモジュールを利用し様々な記事を展開していきます。第4話はでは、
- PSRコントローラーのプログラム吸い上げ
- Inovance sv680NサーポのSTO信号制御
をメインにします。
さ、FAを楽しもう。

Reference Link
http://soup01.com/ja/category/inovance/
前書き
いつも私の技術ブログとYouTubeチャンネルをご覧いただき、心より感謝申し上げます。また、いまFullさん(full@桜 八重 (@fulhause) / X)と共に毎週水曜日の夜にお届けしている「高橋クリス」ラジオ番組を運営しています。
技術は独り占めせず、届けるもの
私たちは工場の生産技術や制御に関する技術情報を、ブログや動画などで無料公開しています。「知識は誰でもアクセスできるべき」という信念のもと、現場で役立つ具体的なノウハウやトラブル事例などを発信してきました。すべて無料で続けているのは、「知らなかったせいで困る人」を少しでも減らしたいからです。
また、もしあなたの現場で…
- 「このPLCとデバイスの組み合わせ、ちゃんと動くのかな?」
- 「EtherCAT通信でうまくいかない部分を検証してほしい」
- 「新しいリモートI/Oを試したいけど社内に検証環境がない」
など、困っている構成や試してみたいアイデアがあれば、ぜひお知らせください。機器の貸出や構成の共有が可能であれば、検証し、記事や動画で発信します(ご希望に応じて匿名対応も可能です)。
支援のかたち
現在、私達の活動はほぼ無償で続けており、記事や動画の制作には、時間と検証環境の整備が必要です。この活動を継続的にコンテンツを提供するためには、皆様の温かいご支援が大変重要です。
メンバーシップ(ラジオの応援)
Fullさんとのラジオをより充実させるための支援プランです。
https://note.com/fulhause/membership/join
Amazonギフトリスト
コンテンツ制作に必要な機材・書籍をリストにしています。
https://www.amazon.co.jp/hz/wishlist/ls/H7W3RRD7C5QG?ref_=wl_share
Patreon(ブログ・動画活動への応援)
月額での小さなご支援が、記事の執筆・検証環境の充実につながります。
https://www.patreon.com/user?u=84249391
Paypal
小さな支援が大きな力になります。
https://paypal.me/soup01threes?country.x=JP&locale.x=ja_JP
知ってたら助かること、届けたいだけです
あなたの応援が、知識の共有をもっと自由で持続可能なものにしてくれます。これからもどうぞよろしくお願いします。
soup01threes*gmail.com
技術はひとりじゃもったいない。
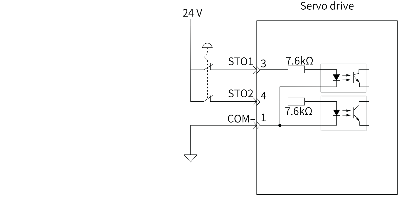
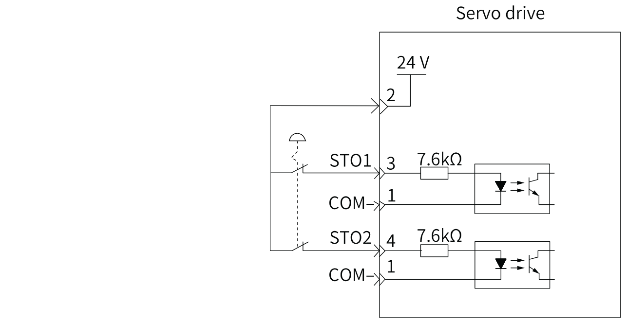
STO端子台
2つの絶縁入力は、STO機能のデュアル・チャンネル入力に設定されている:STO1/ STO2があります。試運転を容易にするため、電源電圧(+24V)の追加ピンが内蔵されている。安全回路を搭載しているがSTO機能が不要な場合は、24V端子からSTO1/STO2へのブリッジ接続が必要です。


入力回路の電気的仕様と接続
STO端子台はCN6 コネクタに割り当てられています。
- サーボドライブは、STO1 と STO2 の入力状態がともに “High”(”1 “または “H”)のときのみ正常に動作します。
- STO1 または STO2 の入力状態が異なる場合、または両方が “Low”(”0 “または “L”)の場合は、サーボドライブは動作しません。
外部24Vの接続例
こちらはCN6端子台が外部24Vの接続と接続するときの配線例です。

内部24Vの接続例
こちらはCN6端子台が内部24Vの接続と接続するときの配線例です。

7セグメント
InovanceのServoには7セグメントついており、STOの状態を確認できます。こちらはSTO端子の24V入力が切断されるとき、7セグメントの表示になります。

配線
今回の記事の配線です。


Schematic Reading
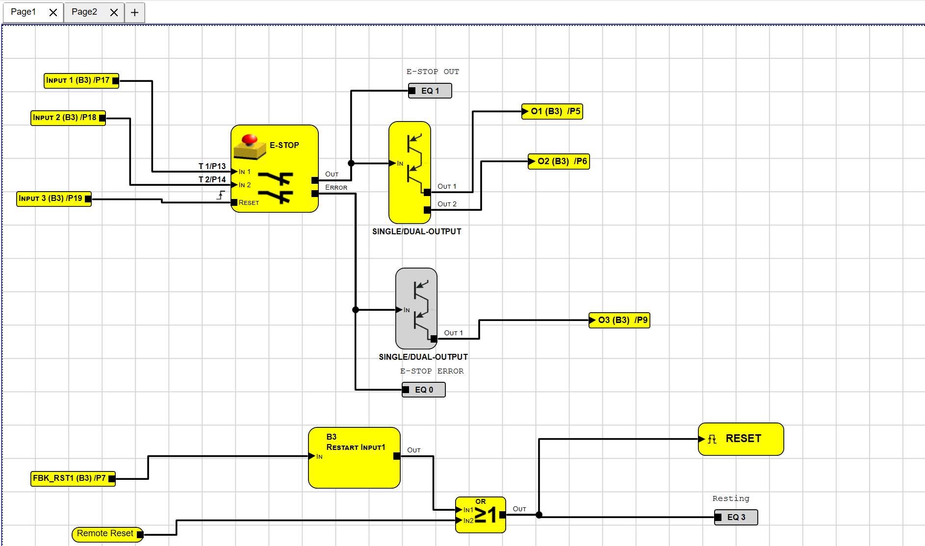
Phoenix ContactのPSRmodularソフトウェアはコントローラー内のプログラムを吸い上げることができます。Communication→Schematic readingをクリックします。

Yesをクリックし、PSRmodularコントローラー内のプログラムを吸い上げ舞うs。

Done!

Implementation
PSRのプログラムは基本的にPart3と変わっていません。

結果
こちらの動画から動作確認できます。